手機:13827297626
電話:13827297626
郵箱:435281082@qq.com
地址:廣東省東莞市樟木頭鎮圩鎮荔苑路7號星耀國際
發布時間:2022-11-14 點此:3588次
12*12輕觸開關多用于各類電子數碼產品,也有很多用于需要高頻按壓的設備,正常這款產品的使用壽命是10萬次以上按壓,有更換方便,總體看經濟性不錯。

12*12*H輕觸開關相關技術參數
使用環境溫度:-25~+85℃;
額定負荷:DC 12V、50mA;
接觸電阻:≤50mA;
絕緣電阻:≥100MΩ;
耐壓:AC250V(50Hz)/min;
操作力:250±50gf;
使用壽命:100000次;
高度:4.3~13mm;

12*12輕觸開關結構分析
①:塑膠按鈕,高度可以根據客戶產品情況定制;
②:金屬冷軋鋼蓋板,這個主要用于封裝輕觸開關內部零件;
③:不銹鋼或者復合銀彈簧片;
④:工程塑料或者耐高溫材料底座,有些需要過回流焊,需要用到耐高溫的材料才不會變形
⑤:黃銅金屬針腳,用于連接電路,常見有4腳和2腳,少部分是邊三腳的。

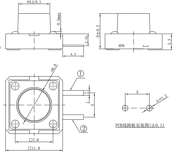
12*12輕觸開關尺寸安裝圖

通過上圖的2腳輕觸開關尺寸和電路圖,可以大致知道邊2腳輕觸開關的接線方式,和正常一樣,一個正極和一個負極,接線方式也很簡單。
上一篇:立式輕觸開關價錢多少
下一篇:輕觸開關尺寸怎么看
相關推薦