手機:13827297626
電話:13827297626
郵箱:435281082@qq.com
地址:廣東省東莞市樟木頭鎮圩鎮荔苑路7號星耀國際
發布時間:2023-04-27 點此:2700次

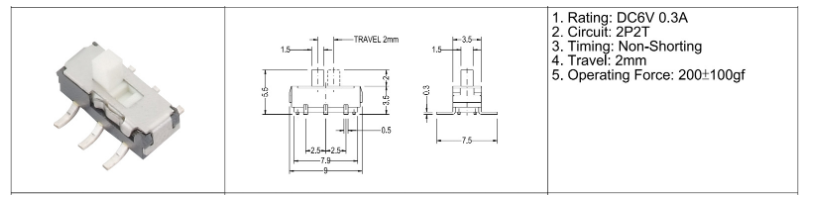
一、基本介紹
撥動開關6腳是一種常見的電子元器件,由6個金屬腳趾組成。它可以用來控制電路的接通和斷開,在電路控制方面有著廣泛的應用。此開關可以分為兩種類型:單極(SPDT)和雙極(DPDT)。單極可以控制一個電源,而雙極可以控制兩個電源。在使用前,請確保你已經選擇了適合你的電路類型的開關類型。
二、安裝方法
在安裝撥動開關6腳前,請先關閉相應的電源。在電源關閉的情況下,按以下步驟進行安裝:
1、把開關的6個金屬腳趾插入電路板上的洞中,做到牢固接觸;
2、使用鉗子夾住腳趾,并利用力量把開關固定在電路板上,確保開關不能脫落;
3、檢查開關是否牢固,然后再開啟電源。
三、使用注意事項
為了確保撥動開關6腳的穩定性和安全性,使用時需注意以下幾點:
1、開關一定要牢固接觸,以避免連接異?;蛞鸸收?;
2、接線時,要把電線穿過開關底部的穿線孔,再與金屬腳趾連接;
3、在開啟或關閉開關前,一定要關閉相關的電源,以免發生電流過載或電壓過高等事故;
4、在連續使用開關的情況下,應注意觀察其質量狀況以及它是否變得熱,以免在使用過程中發生故障和爆炸。
四、維護與保養
1、請定期清除開關周圍的塵垢,以保持良好的觸點,避免影響使用壽命;
2、請勿強行拉扯金屬腳趾,以免引起接觸不良的問題;
3、在發現故障時,應立即更換撥動開關6腳,以免損害電路的其他部分。
總結:如果你需要在自己的電子設備中使用撥動開關6腳,請務必遵循本文的安裝和使用要求,以免對你的設備造成傷害。希望這篇文章對你有所幫助。
上一篇:撥動開關6p3t什么意思
下一篇:高壽命輕觸開關簡介