手機:13827297626
電話:13827297626
郵箱:435281082@qq.com
地址:廣東省東莞市樟木頭鎮圩鎮荔苑路7號星耀國際
發布時間:2023-09-01 點此:2843次
DA-08側插撥碼開關廠家批發價格:1.4~1.8元/個;

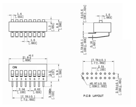
DA-08側插撥碼開關參數
額定負荷:切換電流是25mA,24V DC;不切換電流是100mA,24V DC;
絕緣電阻:最小500兆歐姆,at 500V DC;
接觸電阻:初始值50毫歐姆;測試后100毫歐姆;
行程:2.0mm
操作力:200gf;
耐壓:300V DC/min;
壽命:>3000次;
使用溫度:-20℃~70℃;
儲存溫度:-40℃~85℃;
DA-08撥碼開關結構
1、底座:PBT環保工程塑料,黑色;
2、上蓋:PBT環保工程塑料,紅色/藍色/黑色;
3、推鈕:PBT環保工程塑料,白色
4、端子:環保合金銅鍍金

DA-08撥碼開關電器性能
1. 電器壽命:在電壓24VDC與電流25mA之下測試, 可來回撥動3000次。
2. 開關不經常切換額定電流: 100mA, 耐壓SOVDC。
3. 開關經常切換額定電流: 25mA, 耐壓24VDC。
4. 接觸阻抗: 初始值最大50mΩ測試后最大值20mΩ 。
5. 絕緣阻抗: 最小100mΩ , 500VDC。
6. 耐壓強度: 500VAC/1 分鐘。
7. 極際電容: 最大5pF;
8.回路:單極點單選擇;
撥碼開關焊接和清洗過程
1. 在所有操作過程中, 請確保開關在"off"位置。
2. 波峰焊:推薦焊溫度在260℃, 最多5秒鐘。
3. 手焊:使用30瓦電烙鐵控制溫度在320℃, 焊接時間約2秒鐘。
4. 清洗:清洗使用超聲波方式, 能給予更好的效果;使用蒸氣清洗時,
包裝:產品皆以IC管形式包裝,每管約121pcs。
相關推薦