手機:13827297626
電話:13827297626
郵箱:435281082@qq.com
地址:廣東省東莞市樟木頭鎮圩鎮荔苑路7號星耀國際
發布時間:2023-12-14 點此:2212次
升壓電路是一種電力電子電路,可以將直流電從一個電壓轉換為另一個電壓。升壓電路的工作原理是通過控制開關管的導通和截止時間,使電感儲存能量并將其釋放到輸出端,從而將輸入電壓升高到所需的輸出電壓。
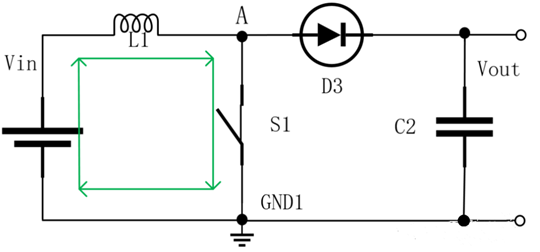
Boost升壓電路是其中一種常見的升壓電路,它主要由控制IC、功率電感和mosfet基本元件組成。

升壓電路的計算公式涉及到電感、電容、輸入電壓、輸出電壓等參數。具體的計算公式可能因電路類型和設計要求而有所不同,但基本的工作原理都是通過控制開關管的導通和截止時間,使電感儲存能量并將其釋放到輸出端,從而將輸入電壓升高到所需的輸出電壓。
例如,Boost升壓電路中的一種基本計算公式為:Vout = Vin * (1 - D),其中D是占空比,即開關管導通時間與周期之比。此公式描述了輸出電壓如何隨輸入電壓和占空比變化的關系。
然而,請注意,在實際應用中,設計升壓電路時除了考慮這些基本公式外,還需要考慮元件的選型、電源穩定性、效率等因素。因此,為了獲取準確的計算結果,可能需要更復雜的分析和計算方法。
升壓電路效率
升壓電路的效率是衡量其性能的重要指標之一,它定義為輸出功率與輸入功率之比。然而,不同類型的升壓電路和元件的選擇可能會對效率產生重大影響。
例如,對于穩壓型直流升壓電路,有一種電路可以將一節1.5V的電池升壓至9V,用來取代9V疊層電池使用。這種電路在空載時的輸入電流低于1.2mA,且轉換效率高達60%。
另一方面,一般降壓電路如TPS5450的效率較高,而升壓電路的效率可能不如降壓電路。比如某些升壓電路,即使輸入3V到5V,輸出十幾V,效率也可能并不高。
升壓電路占空比
升壓電路中的占空比是一個關鍵參數,它定義為開關管導通時間與周期之比。在Boost升壓電路中,占空比的計算公式為D=(Vo-Vi)/Vo,其中Vo是輸出電壓,Vi是輸入電壓。
占空比的大小直接影響到電路的輸出電壓和效率。例如,當占空比增加時,輸出電壓也會隨之增加。但是,如果占空比過大,可能會導致電路工作在不連續導通模式(DCM)下,從而影響電路的穩定性和效率。
在實際應用中,為了提高電路的效率和穩定性,通常會限制占空比在一個合適的范圍內。例如,工程上常見的做法是將占空比限制在0.9以下。同時,通過優化電路設計和元件選型等方法,可以進一步降低電路的損耗,提高其工作效率。