手機:13827297626
電話:13827297626
郵箱:435281082@qq.com
地址:廣東省東莞市樟木頭鎮圩鎮荔苑路7號星耀國際
發布時間:2024-07-03 點此:1459次
在現代電子設備的普及之下,開關作為基本的控制元件,其種類和形式多種多樣,輕觸按鍵四腳開關因其優越的實用性和穩定性,被廣泛應用于手機、電腦、家電等各類設備中,本文將詳細介紹輕觸按鍵四腳開關的原理,讓讀者了解其工作原理及內在機制。

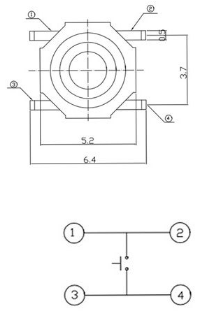
輕觸按鍵四腳開關是一種電子開關,具有四個接觸點,通常由按鍵和底座兩部分組成,按鍵部分通常是一個塑料或者金屬的小按鈕,底座部分則包含電路接觸片和其它電子元件,這種開關通過按鍵的按下與松開,實現電路的開閉狀態切換。
輕觸按鍵四腳開關的工作原理主要基于電路接觸片的接觸與分離,在開關未按下時,電路處于斷開狀態;當按鍵被按下時,電路接觸片發生位移,使原本不接觸的兩極接觸,電路閉合,電流得以通過,具體過程如下:
1、初始狀態:在沒有任何外力作用時,開關內部的電路接觸片處于初始位置,此時電路處于斷開狀態。
2、按鍵按下:當按鍵被按下時,按鍵底部的接觸點與開關底座上的接觸片產生接觸,由于按鍵的設計,這種接觸會促使電路接觸片發生位移,使原本不接觸的兩極接觸。
3、電路閉合:隨著按鍵的進一步下壓,電路接觸片完成位移,電路閉合,電流得以通過,設備開始工作。
4、按鍵松開:當按鍵松開時,電路接觸片恢復到原始位置,電路斷開,設備停止工作。

1、輕巧便捷:輕觸按鍵四腳開關的按鍵輕巧,操作方便,觸感良好。
2、穩定性高:由于采用四腳設計,開關的接觸點更多,穩定性更高,使用壽命更長。
3、應用廣泛:由于其結構簡單、性能穩定,輕觸按鍵四腳開關被廣泛應用于各類電子設備中。
輕觸按鍵四腳開關在手機、電腦、家電等電子設備中都有廣泛應用,手機鍵盤上的按鍵、電腦主機箱上的電源開關、家電設備上的控制按鈕等,這些應用場景都離不開輕觸按鍵四腳開關的實現。
1、使用時避免過度力壓:雖然輕觸按鍵四腳開關具有輕巧便捷的特點,但在使用時仍需避免過度力壓,以免損壞內部電路接觸片。
2、防止潮濕環境:潮濕環境可能導致開關內部元件生銹或短路,應盡量避免在潮濕環境下使用輕觸按鍵四腳開關。
3、定期檢查維護:為了保持輕觸按鍵四腳開關的正常工作,應定期檢查開關的狀態,如有異常應及時處理。