手機:13827297626
電話:13827297626
郵箱:435281082@qq.com
地址:廣東省東莞市樟木頭鎮圩鎮荔苑路7號星耀國際
發布時間:2020-12-16 點此:6431次
穎鑫電子6腳兩檔撥動開關廠家批發價格:0.15~0.23元/個;
產品名稱: 撥動開關;
制作工藝: 全自動裝配;
額定電流:0.2A;
工作壽命:10000次;
工作溫度:-30-75度;
耐 壓:12V DC;
包裝方式: 1000PCS/包 ;

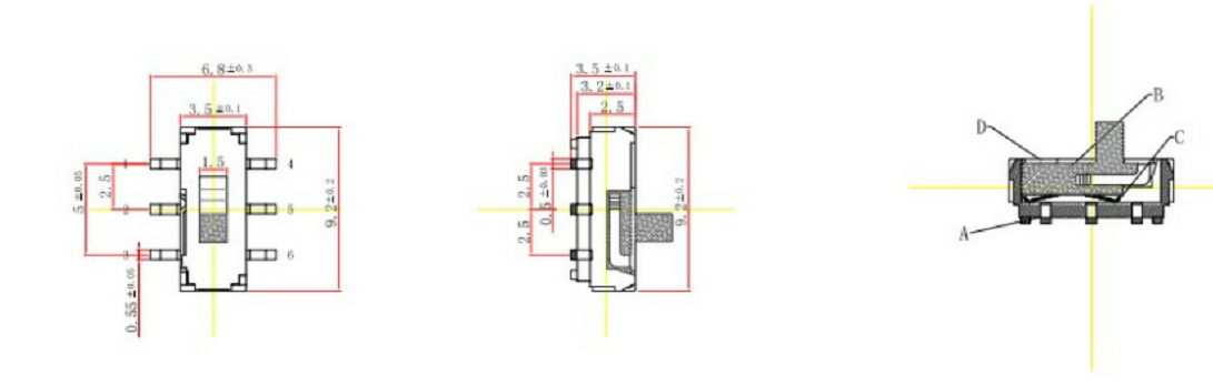
六腳撥動開關主要由以下部件通過相應的工藝處理后裝配而成:
1.鐵殼 (材質:一般為鐵;處理工藝:通過電鍍鎳或者煲黑工藝處理,從而防止其氧化)
2.塑膠手柄(材材:一般為POM料,如有防火阻燃耐高溫要求,則常選用PA尼龍料 處理工藝:注塑成型)
3.端子 (材質:一般為磷銅; 處理工藝:電鍍銀)
4.絕緣底板 (材質:電木板; 處理工藝:沖壓成型)
5.接觸碼片 (材質:一般為磷銅; 處理工藝:電鍍銀)
6.圓形波珠 (材質:一般為不銹鋼; 處理工藝:電鍍鎳)
7.彈弓 (材質:青銅; 處理工藝:沖壓成型)
8.裝飾油 (材質:紅油或者綠油 化工油的一種,涂抹在端子與底板的接觸部位,起裝飾作用。一般要求無毒,環保)

六腳撥動開關引腳電路圖

上一篇:MINI八腳撥動開關
相關推薦