手機:13827297626
電話:13827297626
郵箱:435281082@qq.com
地址:廣東省東莞市樟木頭鎮圩鎮荔苑路7號星耀國際
發布時間:2022-02-12 點此:3467次
五腳開關電位器廠家批發價格:0.7~0.8元/個;

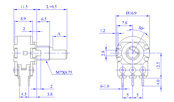
五腳開關電位器機械的性能 (Mechanical characteristics):
全回轉角度(Total rotational angle):300°±5°
回轉力矩(Rotational torque):30~250gf.cm
回轉止動強度(Rotational stopper strength):6Kgf.cm
軸押引強度(Push-pull strength):3Kgf. 無間隙, 5Kgf無脫落
軸搖晃度(Shaft wobble):0.7×L/30mm p-p max.
開關工作角度(Switch Working Angle):50±5°
開關工作動力(Switch Working Torque):150~450gf.cm
三 電氣的性能 (Electrical characteristics)
全阻抗值(Total resistance):5 KΩ
全阻抗值容許差(Total resistance tolerance):±20%
殘留阻值(Residual resistance):R≤10KΩ 10Ω;10K<R<250KΩ 20Ω;R≥250K 0.1% max. of total resistance
抵抗變化特性(Resistance taper):□A □B □C □D □W █ SB
定格電力(Ratings power):B:0.1W;A、C:0.05W
最高使用電壓(Maximum operating voltage):150V AC;20V DC
滑動雜音(Slider noise): 未滿100mv Less than 100mv
絕緣抵抗(Insulation resistance):100MΩ min. at 500V DC
開關承受負載(Swiktch Power Rating):1.0A at DC 12V
耐電壓(Voltage proof): 1 minute at 500V AC
回轉壽命(Rotational life):10,000 cycles

上一篇:RJ45和RJ11的區別
下一篇:塑膠撥動開關