手機:13827297626
電話:13827297626
郵箱:435281082@qq.com
地址:廣東省東莞市樟木頭鎮圩鎮荔苑路7號星耀國際
發布時間:2020-11-17 點此:2233次
復位型葉片開關廠家批發價格:0.3~0.5元/個
葉片開關技術指標:
RATING(額定值) :1A 30V DC
接觸電阻:≦200mΩ
絕緣電阻:≧500MΩ
耐電壓: AC250V(50Hz)/min
使用溫度范圍: -20℃~+70℃
動作力:50~70gf
機械壽命:30,000次

葉片開關的常用材料有磷銅dao,磷銅因含磷量較高,其zhi抗疲勞dao強度較高,都是做彈片的好專材料。但磷青dao銅更好一些,理由是導電好、彈性好。但從耐磨的角度,錫磷青銅又好一些。
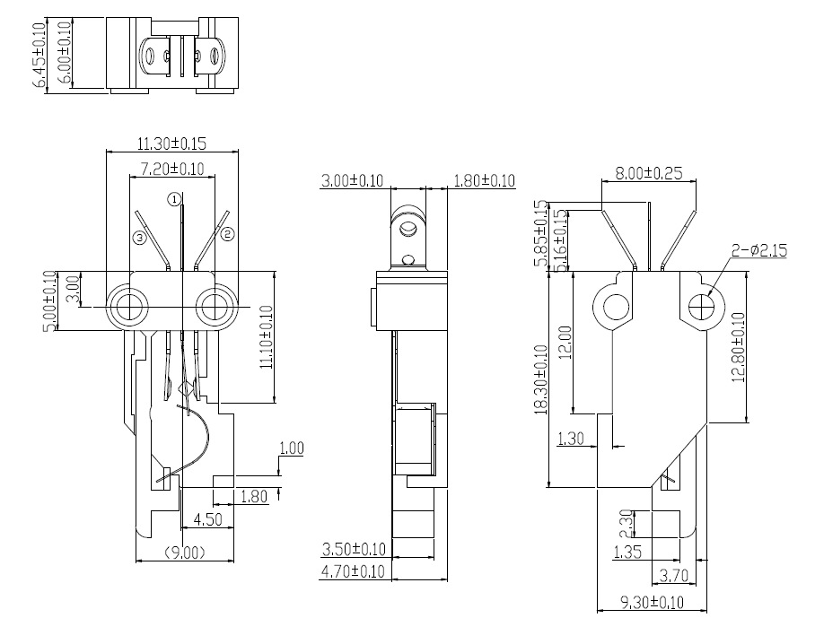
復位葉片開關規格圖:

下一篇:輕觸開關產銷
相關推薦