手機:13827297626
電話:13827297626
郵箱:435281082@qq.com
地址:廣東省東莞市樟木頭鎮圩鎮荔苑路7號星耀國際
發布時間:2019-10-28 點此:10122次
葉片開關廠家批發價格:0.1~0.5元/個
工作指標工作參數
溫度范圍:-30℃至85℃;
額定電流電壓:1A 15A 12V 16V DC;
絕緣電阻:100MΩmin、500VDC;
絕緣強度:500V ACfor 1min;
瞬變電阻:30mΩmin MAX;
使用壽命:10000-50000次以上;
因為葉片開關種類非常多,有需求的客戶可以聯系在線客服,領取葉片開關產品大全,葉片開關多用于玩具和小型設備上。

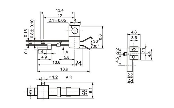
葉片開關驗收標準:外觀各個部位良好無生銹、裂痕、電鍍等不良現象,尺寸和設計圖一致。下面詳解在各種場景下的性能測試:
機械性能:
1、動作力:操作力度為90±10g;
2、端子強度:一個400 克之靜負荷施加于端子頂部的一個方向持續1 分鐘,無任何跡象顯示機械及電器性能之損壞。
3、柄子強度:一個400 克之靜負荷施加于端子頂部的一個方向持續1 分鐘,柄子無變形,可以正常操作。
耐久性:
1、可行實驗:端子頂部被浸入焊錫池2mm 深,溫度260=10℃時間6 秒,浸入的部份以90% 上表面被錫覆蓋。
2、壽命試驗:無負載條件下, 每分鐘15-18 次的速度操作100,000次。
3、耐熱試驗:在85±2℃環境中放96 小時,再放在正常環境中30 分鐘后進行測試。
4、耐溫試驗:在40± 2℃ 90-95%RH 環境中放96 小時,再放在正常環境中30 分鐘后進行測試。
5、耐冷試驗:在-30±2℃環境中放96 小時,再置于正常環境中30 分鐘后進行測試。
東莞市穎鑫電子科技有限公司,竭誠服務好每位客戶,為客戶提供優質的產品以及售前售后服務。穎鑫企業不僅生產葉片開關,同時也生產各種usb插座和按鈕微動開關,門鎖開關,在用途和功能上不斷的創新新的設計技術,也在方便電工的安裝設備上做出不少努力,讓安裝的步驟更加簡單,更快完成項目工程。我們始終執行一個理念,提供高質量的產品給客戶,讓采購人員更加方便的找到我們的產品。穎鑫電子公司的產品都是經過環保認證,從細節做到客戶滿意。如果客戶還需要dc插座或者滾珠開關、直鍵開關,可以咨詢在線客服。

上一篇:三檔波動開關
下一篇:SW-200D系列滾珠開關
相關推薦