手機:13827297626
電話:13827297626
郵箱:435281082@qq.com
地址:廣東省東莞市樟木頭鎮圩鎮荔苑路7號星耀國際
發布時間:2021-03-09 點此:6615次
可調電阻進口電位器:2~3元/個;
進口的電位器相對于國產的價格要貴上很多
電氣特性
全阻值 :500Ω- 1MΩ
全阻值公差:±10%
阻抗特性型式:A,B,C,D
最大工作電壓:B線性:AC 200V 其它線性:AC 150V
額定功率:B線性:0.5W 其它線性:0.25W
雜音:Less than 100mV
絕緣阻抗:More than 100MΩat DC 250V
耐電壓:1 minute at AC 500 V
殘留阻值:Term.1~2: Less than 10Ω Term.2~3: Less than 20Ω
機械特性
全回轉角度:300±10(degree)
旋轉力距:20~200 gf.cm
旋轉止動強度:5.0Kgf.cm Min
推拉強度:Push:7.0kgf Min
耐久性能
旋轉壽命:500000 Cycles

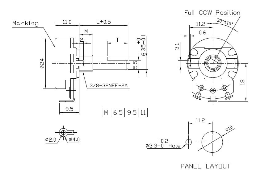
進口電位器尺寸圖

相關推薦