手機:13827297626
電話:13827297626
郵箱:435281082@qq.com
地址:廣東省東莞市樟木頭鎮圩鎮荔苑路7號星耀國際
發布時間:2021-03-10 點此:2861次
輕觸開關是在按下輕觸開關的按鈕時候,彈片就會因為受到彈力作用而發生形變并向下接觸焊片,并成功的使開關里的四個引腳相接通,從而實現電路的接通。當撤離外力的時候彈片就會恢復到原來的狀態,引腳之間也不會接通,所以電路就會處于一種閉合的狀態。
不同款式的輕觸開關電路有少許區別,下面列舉幾款常見的電路圖
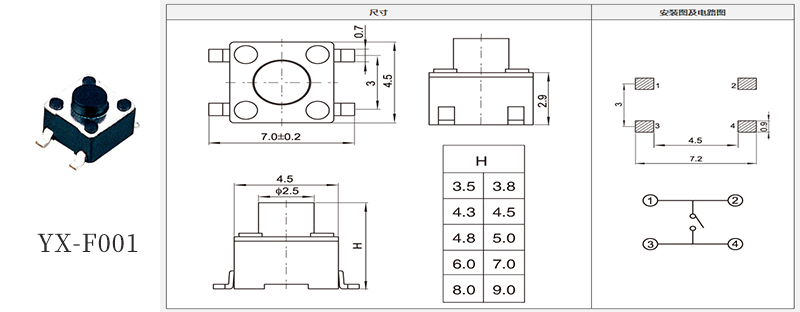
2*4輕觸開關安裝尺寸和電路圖

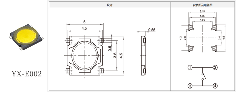
4.5*4.5輕觸開關安裝電路圖

4*4輕觸開關安裝電路圖

當在給輕觸開關的端子進行焊接的時候要是在端子上增加負荷就會因為條件的不同而會出現松動、變形或者是電特性劣化的情況,這點需要注意了,使用電路板的時候,因為熱應力的影響會發生變化,所以在之前需要對焊接條件進行一下確認。
四腳輕觸開關在使用過程中不能夠自鎖,但使用者只要按下去一次,四角開關的信號就會發生一次變化。而至于輕觸開關四個角怎么接,這對電工而言是非常重要的知識,具體如下:
1、將萬用表調至二極管處;
2、先測量四角中的任意兩腳,判斷哪兩個角是導通的,哪兩個角是斷開的;
3、按下按鍵,再測量任意兩腳,然后判斷哪兩個角是導通的,哪兩個角是斷開的;
4、開始斷開,按鍵按下導通的兩腳可做為焊接的兩個角

上一篇:可變電阻進口電位器
下一篇:電路板上電子元器件認識與維修
相關推薦