
1 / 1
Basic Info
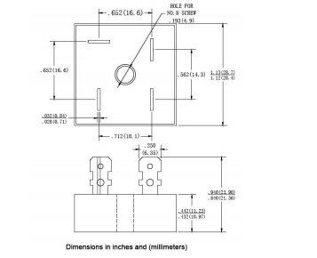
| Model No. | KBPC35005, KBPC3501, KBPC3502, KBPC3504, KBPC3506, KBPC3508, KBPC3510 |
|---|
Product description
KBPC35005 - KBPC3510 KBPC Bulk
Voltage Range 50 to 1000 Volts Current 35 Amperes
35 AMPS Bridge Rectifier

Send your inquiry to this supplier
Product Categories