



Video
1 / 5
Basic Info
| Brand Name | Hengchi |
|---|---|
| warranty period | 3months-1year |
| place of origin | China |
Product description
Knitting industry motor introduction
With the development of intelligence, the knitting industry operation needs the addition of intelligent elements, our company also mainly produces electric components, motor series products.

The motor of the knitting industry can be mainly divided into the following categories:
The application of these motors in the knitting industry is mainly used to drive various looms, spinning machines, sewing machines and embroidery machines for production operations to improve production efficiency and product quality. At the same time, with the development of science and technology, some intelligent motors are gradually applied to the knitting industry, making the production process more intelligent and automated.



Mechanical Date


Certificate introduction


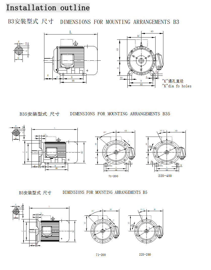
Structure chart:

Our company produces multi-industry motor products, such as Electric motor for Grinding equipment、Electric motor for Compressor、Electric motor for Wire-drawing machine、Electric motor for Metering pump and other industries have everything.
If you are interested, please come to consult.
Contact information:
Jack ding
MOB&Wechat: 0086 15152419599
Video
Electric motor for Circular knitting machine
Electric motor for Circular knitting machine
Electric motor for Circular knitting machine
Send your inquiry to this supplier
You may also be interested in
Product Categories