





1 / 6
Basic Info
| Model No. | MA117 |
|---|---|
| Brand Name | santwell |
| Pattern | Plate Ring Type |
| Transform Type | Resistance Strain |
| Out-Wire | 4-Wire |
| Output Signal Type | Analog Type |
| Material | Metal |
Product description
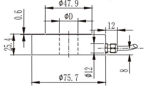
Ring Type Load Cell Compression Force 100Kn
Load cell can be used in weighing systems such as track scale, platform scale and floor scale. Conventional sensors are made of alloy steel, and generally include shear beam sensor, double shear beam load cell, single point load cell, and S-type load cell. Load cells used in four or more groups require junction box connection. Junction boxes are generally made of plastic and stainless steel. Usually the floor scale uses a 4-wire junction box, and the floor scale uses a 6-wire (6 Ways junction box) or 8-wire junction box (8 Ways junction box).
The complete weighing system includes sensors, junction boxe and weighing indicator. The weighing indicator are used for weighing, counting and animal scales.
|
Technical Parameter
|
|
|
|
Capacity
|
10,20,30,50,100,200kN
|
|
|
Rated output
|
1.5±10%mV/V
|
|
|
Zero balance
|
±0.03 mV/V
|
|
|
Non-linearity
|
0.1%F.S.
|
|
|
Hysteresis
|
0.1%F.S.
|
|
|
Repeatability
|
0.05%F.S.
|
|
|
Temp. effect on output
|
0.05%F.S./10℃
|
|
|
Temp. effect on zero
|
0.05%F.S./10℃
|
|
|
Input impedance
|
780±20Ω
|
|
|
Output impedance
|
700±10Ω
|
|
|
Insulation
|
≥5000MΩ/100VDC
|
|
|
Recommended excitation
|
5~15V
|
|
|
Maximum excitation
|
20V
|
|
|
Compensated temp range
|
-10~60℃
|
|
|
Operation tem range
|
-20~80℃
|
|
|
Safe over load
|
150%F.S.
|
|
|
UItimate over load
|
200%F.S.
|
|
|
Cable size
|
Φ4×3000mm
|
|

Send your inquiry to this supplier
You may also be interested in
Product Categories