





1 / 6
Options:
Basic Info
| Place Of Origin | Guangdong, China |
|---|---|
| Condition | New |
| Warranty | 3 Months |
| After-sales Service Provided | Online Support |
| Spare Parts Type | CO2 laser machine parts |
Product description
?
?Laser Controller
Ruida RDC6442G/S

?
Ruida RDC6442G/S system is a new generation system for 4-Axis control of laser engraving and cutting.
?

·Digital Laser Control Signals:
(1) TTL level output, 50 mA, Drive Capability
(2) PWM frequency 2K-50K for adjustable
(3) PWM duty ratio is 1% ~ 99%, adjustable
(4) PWM value is up to 5.0 V
?
·One-Way 24V Power Supply, >2A
·Motor Control Signal: Common-anode Output, Drive Capability 20 mA.
Motor control pulse frequency: Max.500KHZ

·10/100M Ethernet + USB 2.0 Control.
·Interpolation: Linear/circular arc/B spline, accuracy + / - 0.5 pulse
·Output: 4-channel, photoelectric isolated OC gate output, the max. drive capability 500mA drive capability (with follow-current protection).

·Input: 4-channel, photoelectric isolated input, compatible with 5V/ 12V / 24V logic level
·6442G: Standard / 6442S: Double Head Linkage

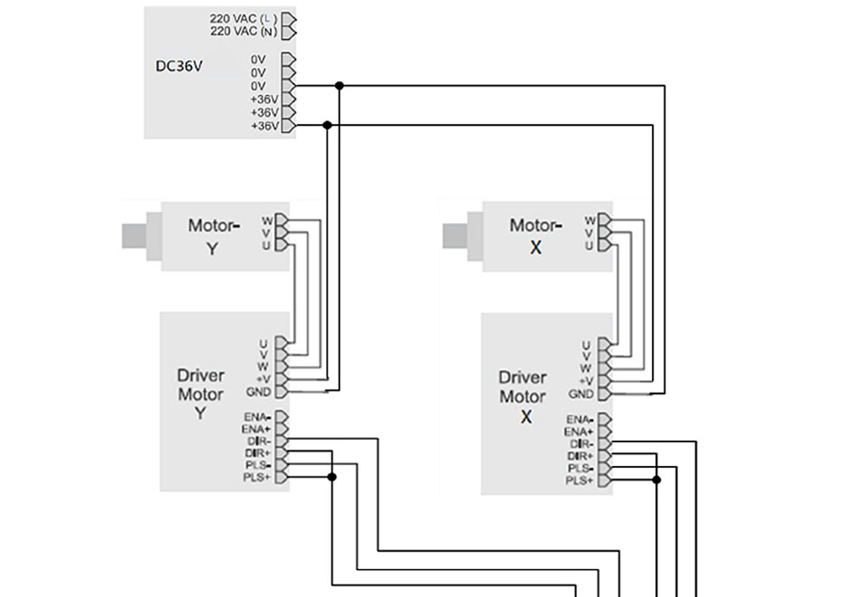
Connection Diagram
Electrical Connection of Control System:

Connection of Glass Tube Laser Power:
?

?
Connection of Glass Tube Laser Power:
?

?
Product Parameter
?
|
Model |
RUIDA 6442G |
|
Power? |
DC24V,3A |
|
Input? |
6?roads |
|
Output |
6?roads |
|
Control?Axes |
X?Y?Z?U?axis |
|
Laser?Quantity |
Double?Heads?which?could?be?separated?adjusted. |
|
Laser?Sources |
continuous,RF,Co2?and?solid?laser?sources |
|
Laser?Power?Control |
0-100%???0.1%?continuously?adjustable |
|
Precision |
±0.01mm |
|
Support?Format |
DST?PLT?BMP?DXF?DWG?AI,etc |
|
Support?Software |
CORELDRAW,AUTOCAD,?Adobe?Illustrator |
?
?
?
?

Options:
Send your inquiry to this supplier
You may also be interested in
Product Categories