


Video
1 / 4
Basic Info
| Brand Name | Rongxin |
|---|
Product description
It belongs to discharging district in vacuum ceramic filter (solid and liquid separation filter). The scraper will discharge the materials automatically under non-vacuum state.
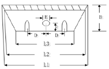
Specifications And Dimensions About RX Series of Ceramic Scraper
|
No. |
Specification |
Exterior Dimension |
|||||||
|
L1 |
L2 |
L3 |
B1 |
C |
D |
E |
F |
||
|
1 |
L255 |
255 |
244 |
215 |
72 |
11 |
140 |
12 |
24 |
|
2 |
L325 |
325 |
310 |
287 |
72 |
12 |
120 |
12.5 |
19 |
|
3 |
L345 |
345 |
331 |
288 |
72 |
11 |
130 |
13 |
20 |
|
4 |
L375 |
375 |
360 |
330 |
72 |
12 |
130 |
12.5 |
20 |
|
5 |
L634 |
634 |
634 |
634 |
101 |
11 |
136 |
15 |
18 |
|
|
Note: L1=Total length of the scraper L2=Top length of tool post L3=Bottom length of tool post B=Scraper width C=Thickness of the scraper D=Distance between locating holes E=Diameter of the locating hole F=Distance between locating hole to the bottom of tool post |
||||||||
Rongxin Environmental Protection Equipment Co., Ltd. (Rongxin, the Company) was founded in 2003 with registered capital of 20 million. The Company is mainly engaged on R&D of special ceramic filter plates and inorganic membrane applications. Rongxin holds several patents of ceramic plates
Video
company
company
company
Send your inquiry to this supplier
You may also be interested in
Product Categories