
1 / 1
Basic Info
Product description
Introduction
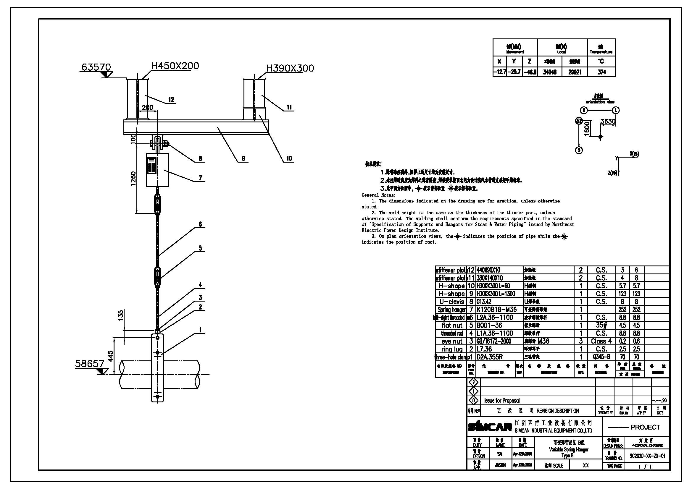
Variable support spring hangers Type B is connected via single lifting ear lug on the top of the spring hanger.
Selection of variable support spring hangers is mainly based on the installation requirement, such as the direction of movement and installation space. If spring load rate is more than 25%, it should reduce the spring stiffness, choose larger displacement range.
Technical Parameters
Displacement range: 0~120mm @ 30, 60, 90,120mm.
Load range: 154~217384N
Operating temperature range: -20~200℃(For out range temperature material to be tailored)
Sample drawing
Our Service
Our service means getting the job done the way customer want it done. We always have the customer in our mind at all times. We realize that the customers’ needs are different and we have the ability to satisfy those needs. Whether processing on customer-supplied materials or supplying a job completely turnkey, you can always count on us. Simcan offers accepted products and efficient solutions centered on meeting and exceeding quality codes and standards.
Send your inquiry to this supplier
You may also be interested in