
1 / 1
Options:
Basic Info
| Model No. | THB_LA15D_ |
|---|---|
| place of origin | China |
| use | Electronic |
| Coil structure | Toroidal |
Product description
|
Product introduction: |
Application: |
|
? Power supply: ± 12V ~ ± 15V DC ? Hall effect principle - closed loop current sensor; ? The primary and secondary of the current sensor are insulated and can measure DC, AC, pulse, etc; |
? Application on Inverter ? AC/DC variable speed drive ? Switching power supply (SMPS) ? UPS uninterruptible power supply ? Current monitoring and control of induction cooker |
Electrical characteristics:
|
Parameter |
Symbol |
THB25 LA15D25 |
THB50 LA15D50 |
THB75 LA15D50 |
THB100 LA15D50 |
|
Rated current |
IPN(A),RMS |
25 |
50 |
75 |
100 |
|
Measuring range |
IP(A) |
0~±55 |
0~±70 |
0~±105 |
0~±150 |
|
Turn Ratio |
NS(T) |
1000 |
1000 |
1500 |
2000 |
|
Rated output current |
ISN(mA) |
±25*IP/IPN |
±50*IP/IPN |
±50*IP/IPN |
±50*IP/IPN |
|
Coil internal resistance |
RS(?),@+75℃ |
30 |
30 |
65 |
112 |
|
Measure resistance |
RM(?),@+75℃,VC |
[(VC-2.0V)/(IS*0.001)]-RS |
|||
|
Working power supply |
VC(V) |
±12V~±15V DC±5% |
|||
|
Insulation voltage |
VD(V) |
50/60Hz,1min,2.5kV;RMS |
|||
General parameters:
|
Project |
Condition |
Date |
Unit |
|
Accuracy XG |
@ IPN,T=25℃ |
<±0.5 |
% |
|
Zero offset current IO |
@ IP=0,T=25℃ |
<±0.2 |
mA |
|
Current offset temperature drift IOT |
@ IP=0,-40~+85℃ |
<±0.005 |
mA/℃ |
|
Linearity εr |
|
≤0.1 |
%FS |
|
Follow accuracy di/dt |
|
>100 |
A/μs |
|
Response time tra |
@ 90% of IPN |
<1.0 |
μs |
|
Operating bandwidth BW |
-3dB |
DC-200 |
kHZ |
|
Working temperature TA |
|
-40~+85 |
℃ |
|
Storage temperature TS |
|
55~+125 |
℃ |
|
Static power consumption IC |
|
15+Is |
mA |
|
Product weight m |
|
22 |
g |
|
Shell material |
PBT material containing 30% glass fiber,Flame retardant grade:UL94- V0; |
||
|
Standard |
IEC60950-1:2001 EN50178:1998 SJ20790-2000 |
||
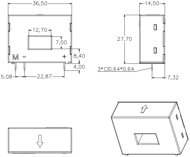
Structural drawing: (mm)

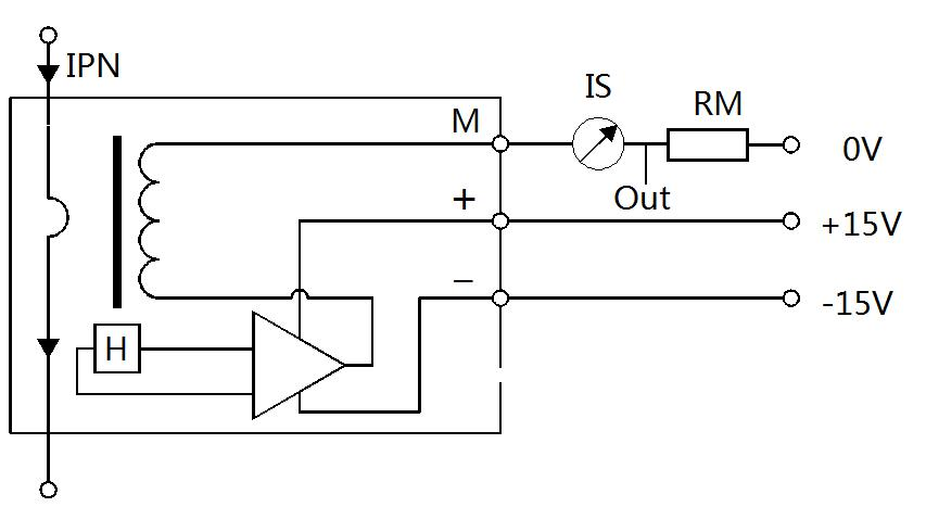
Connection diagram:

Remarks:
1. When the measured current passes through the primary pin of the sensor, there is a corresponding current signal output at the output end;(Note: wrong wiring may damage the sensor)
2. Products with different rated current can be designed according to the requirements of customers, and the output voltage of the sensor can be selected;
3. When the busbar is fully filled with holes, the dynamic performance is the best;
4. The temperature of primary conductor shall not exceed 100℃;
Options:
Send your inquiry to this supplier
You may also be interested in
Product Categories