
1 / 1
Options:
Basic Info
| Model No. | THB_BA15D_M |
|---|---|
| place of origin | China |
| use | Electronic |
| Coil structure | Toroidal |
Product description
|
Product introduction: |
Application: |
|
? Hall effect principle - closed loop current sensor; ? The primary and secondary of the current sensor are insulated and can measure DC, AC, pulse, etc; ? Power supply: ± 12V ~ ± 18V DC |
? Application on Inverter ? AC/DC variable speed drive ? Switching power supply (SMPS) ? UPS uninterruptible power supply ? Current monitoring and control of induction cooker |
Electrical characteristics:
|
Parameter |
Symbol |
THB50 BA15D50M |
THB100 BA15D50M |
THB200 BA15D100M |
THB300 BA15D100M |
THB400 BA15D100M |
|
Rated current |
IPN(A),RMS |
50 |
100 |
200 |
300 |
400 |
|
Measuring range |
IP(A) |
0~±150 |
0~±300 |
0~±600 |
0~±750 |
0~±600 |
|
Turn Ratio |
NS(T) |
1000 |
2000 |
2000 |
3000 |
4000 |
|
Rated output current |
ISN(mA) |
±50*IP/IPN |
±50*IP/IPN |
±100*IP/IPN |
±100*IP/IPN |
±100*IP/IPN |
|
Coil internal resistance |
RS(?),@+75℃ |
30 |
45 |
45 |
55 |
85 |
|
Measure resistance |
RM(?),@+75℃,VC |
[(VC-0.6V)/(IS*0.001)]-RS |
||||
|
Working power supply |
VC(V) |
±12V~±18V DC±5% |
||||
|
Insulation voltage |
VD(V) |
50/60Hz,1min,3kV;RMS |
||||
|
Insulation impedance |
RIS(V) |
@500VDC,1min,500MΩ |
||||
General parameters:
|
Project |
Condition |
Data |
Unit |
|
|
Accuracy XG |
@ IPN,T=25℃ |
<±0.5 |
% |
|
|
Zero offset current IO |
@ IP=0,T=25℃ |
<±0.2 |
mA |
|
|
Current offset temperature drift IOT |
@ IP=0,-40~+85℃ |
<±0.005 |
mA/℃ |
|
|
Hysteresis offset current IOH |
@ IP=0,after 1*IPN |
<±0.3 |
mA |
|
|
Linearity εr |
|
≤0.1 |
%FS |
|
|
Follow accuracy di/dt |
|
>100 |
A/μs |
|
|
Response time tra |
@ 90% of IPN |
<1.0 |
μs |
|
|
Operating bandwidth BW |
-3dB |
DC-200 |
kHZ |
|
|
Working temperature TA |
|
-40~+85 |
℃ |
|
|
Storage temperature TS |
|
55~+125 |
℃ |
|
|
Static power consumption IC |
|
15+Is |
mA |
|
|
Product weight m |
|
33 |
g |
|
|
Shell material |
PBT material containing 30% glass fiber, Flame retardant grade: ul94- V0; |
|||
|
Standard |
IEC60950-1:2001 EN50178:1998 SJ20790-2000 |
|||
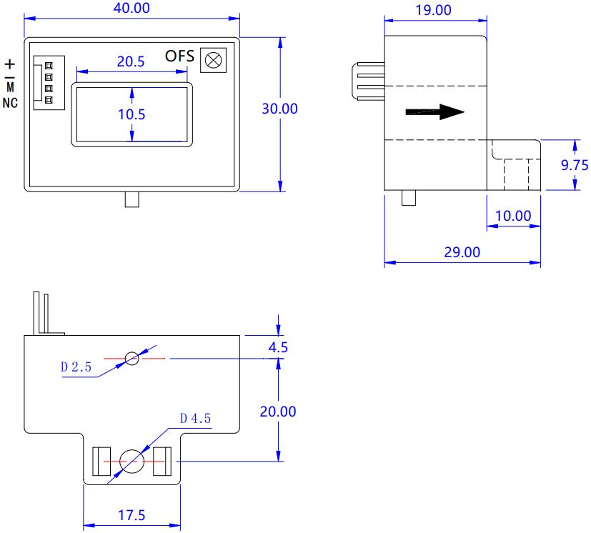
Structure diagram:(mm)
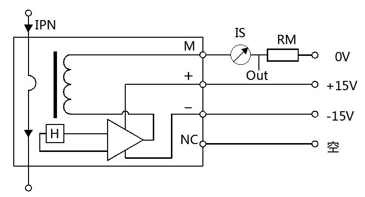
Connection diagram:

Remarks:
1,When the measured current passes through the primary pin of the sensor, there is a corresponding current signal output at the output end;(Note: wrong wiring may damage the sensor)
2,Products with different rated current can be designed according to the requirements of customers, and the output voltage of the sensor can be selected;
3,When the busbar is fully filled with holes, the dynamic performance is the best;
4,The temperature of primary conductor shall not exceed 100 ° C;
Options:
Send your inquiry to this supplier
You may also be interested in
Product Categories