






1 / 7
Basic Info
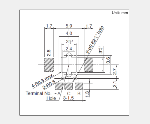
| Model No. | EC05E1220401 |
|---|
Product description
Product number:EC05E1220401
Positioning number twelve
Number of pulses twelve
Direction of operation section Vertical
Operating temperature range - 30℃ to +85℃
Electrical properties rated 0.55mA 5.5V DC
output signal A. B, 2-phase output
Maximum / minimum operating current (resistive load) 0.55mA/-
insulation resistance 50MΩ min. 50V DC
Withstand voltage 50V AC for 1 minute
Mechanical properties Positioning torque 1.6±1.3mN·m
Durability Operating life 100,000 cycles
Minimum order unit (PCs.) Japan 8,000
Export 16,000
Welding conditions
Reference examples of reflux methods
1. Heating mode
Up and down heating mode of far infrared heating.
2. Temperature measurement method
φ 0.1~ φ Ca (k) or CC (T) of 0.2. Measure at the welded joint (copper foil surface) and fix it with heat-resistant tape.
3. Temperature distribution
A B C D E F G H Reflow times
250℃ min. 230℃ min. 180℃ 150℃ 60s to 120s - 30s to 40s - 2 time max.
(1) This product may not be attached in the reflow soldering furnace with only infrared ray, so please use warm air reflow soldering furnace or infrared + warm air reflow soldering furnace.
(2) The temperature shown in the figure above is the maximum temperature of the potentiometer terminal when the warm air reflow welding method is adopted. Because the temperature of the circuit board and the surface temperature of the potentiometer may vary greatly according to the material, size and thickness of the circuit board, please note that the surface temperature of the potentiometer should not exceed 250 ℃.
(3) According to the type of reflow soldering groove, the conditions are different, and the results are different. Please use it after full confirmation in advance.
Reference examples of manual welding methods
Soldering iron head temperature 350℃ max.
Welding time 3s max.
Welding times 1 time
Send your inquiry to this supplier
You may also be interested in
Product Categories