




1 / 5
Basic Info
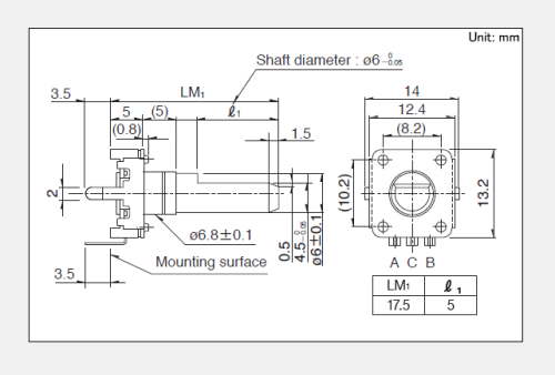
| Model No. | EC12E24204A7 |
|---|
Product description
Product number:EC12E24204A7
Standard type
Length of operation section 17.5mm
torque Standard
3 to 20mN?m
Positioning number twenty-four
Number of pulses twenty-four
Direction of operation section Vertical
Operating temperature range - 10℃ to +70℃
Electrical properties rated 0.5mA 5V DC
output signal A. B, 2-phase output
Maximum / minimum operating current (resistive load) 5mA/0.5mA
insulation resistance 10MΩ min. 50V DC
Withstand voltage 50V AC for 1 minute
Mechanical properties Positioning torque 3 to 20mN·m
Shaft push-pull strength 80N
Durability Operating life 30,000 cycles
Minimum order unit (PCs.) Japan 2,400
Export 2,400
Welding conditions
Reference examples of immersion welding methods
preheat Surface temperature of welding surface 100℃ max.
heating time 1 min. max.
Immersion welding welding temperature 260±5℃
Welding time 3±1s
Welding times 2 time max.
Reference examples of manual welding methods
Soldering iron head temperature 350℃ max.
Welding time 3s max.
Welding times 1 time
Send your inquiry to this supplier
You may also be interested in
Product Categories