




1 / 5
Basic Info
| Model No. | EC12D1524406 |
|---|
Product description
Product number:EC12D1524406
With switch type (automotive products)
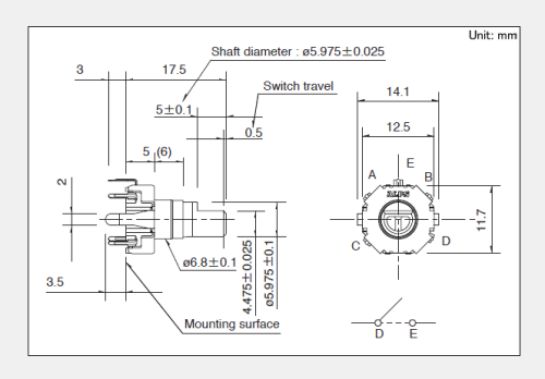
Length of operation section 17.5mm
Positioning torque 5±3mN?m
Positioning number thirty
Number of pulses fifteen
Direction of operation section Vertical
Switching action force 6N
Switch travel 0.5mm
Operating temperature range - 40℃ to +85℃
Electrical properties rated 1mA 5V DC
output signal A. B, 2-phase output
Maximum / minimum operating current (resistive load) 10mA/1mA
insulation resistance 100MΩ min. 250V DC
Withstand voltage 300V AC for 1 minute or 360V AC for 1s
Mechanical properties Positioning torque 5±3mN·m
Shaft push-pull strength 100N
Durability Operating life 30,000 cycles
Press on switch specification Circuit and grounding points Single pole single throw (press on)
trip 0.5±0.3mm
Action force 6(+2.5, -2)N
rated 1mA 5V DC
Contact resistance (initial / after service life) 100mΩ max./200mΩ max.
Operating life 30,000 times
Minimum order unit (PCs.) Japan 1,280
Export 2,560
Welding conditions
Reference examples of immersion welding methods
preheat Surface temperature of welding surface 100℃ max.
heating time 1 min. max.
Immersion welding welding temperature 260±5℃
Welding time 3±1s
Welding times 2 time max.
Reference examples of manual welding methods
Soldering iron head temperature 350℃ max.
Welding time 3s max.
Welding times 1 time
Send your inquiry to this supplier
You may also be interested in
Product Categories