




1 / 5
Basic Info
| Model No. | EC10E1220501 |
|---|
Product description
Product number:EC10E1220501
Positioning torque 5±3mN·m
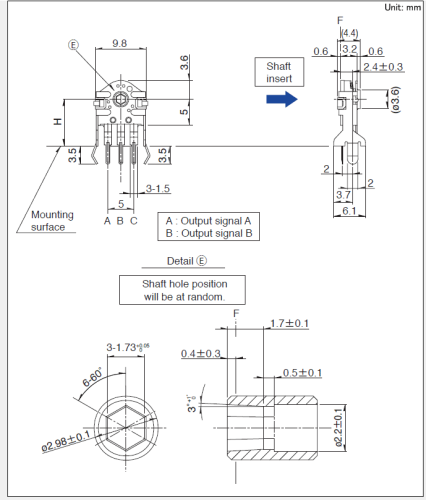
Installation height 9mm
Positioning number twenty-four
Number of pulses twelve
Direction of operation section Horizontal
Operating temperature range - 5℃ to +45℃
Electrical properties rated 1mA 5V DC
output signal A. B, 2-phase output
insulation resistance 50MΩ min. 50V DC
Withstand voltage 50V AC for 1 minute
Durability Operating life 100,000 cycles
Minimum order unit (PCs.) Japan 3,200
Export 3,200
Welding conditions
Reference examples of immersion welding methods
preheat Surface temperature of welding surface 100℃ max.
heating time 1 min. max.
Immersion welding welding temperature 260±5℃
Welding time 3±1s
Welding times 2 time max.
Reference examples of manual welding methods
Soldering iron head temperature 350℃ max.
Welding time 3s max.
Welding times 1 time
Send your inquiry to this supplier
You may also be interested in
Product Categories