




1 / 5
Basic Info
| Model No. | EC09E1524418 |
|---|
Product description
Product number:EC09E1524418
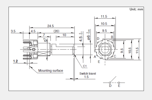
Shape of operation part Horizontal axis
Length of operation section 20mm
Positioning number thirty
Number of pulses fifteen
Direction of operation section Vertical
Press the on switch yes
Press on switch travel 1.5mm
Operating temperature range - 40℃ to +85℃
Electrical properties rated 10mA 5V DC
output signal A. B, 2-phase output
Maximum / minimum operating current (resistive load) 10mA/1mA
insulation resistance 100MΩ min. 250V DC
Withstand voltage 300V AC for 1 minute or 360V AC for 1s
Mechanical properties Positioning torque 8±5mN·m
Shaft push-pull strength 100N
Durability Operating life 15,000 cycles
Press on switch specification Circuit and grounding points Single pole single throw (press on)
trip 1.5±0.5mm
Action force 4±2N
rated 10mA 5V DC (1mA 5V DC min. ratings)
Contact resistance (initial / after service life) 100mΩ max./200mΩ max.
Operating life 10,000 times
Minimum order unit (PCs.) Japan seven hundred
Export 1,400
Welding conditions
Reference examples of immersion welding methods
preheat Surface temperature of welding surface 100℃ max.
heating time 2 min. max.
Immersion welding welding temperature 260±5℃
Welding time 5±1s
Welding times 2 time max.
Reference examples of manual welding methods
Soldering iron head temperature 350℃ max.
Welding time 3s max.
Welding times 1 time
Send your inquiry to this supplier
You may also be interested in
Product Categories