




1 / 5
Basic Info
| Model No. | EC11N1520401 |
|---|
Product description
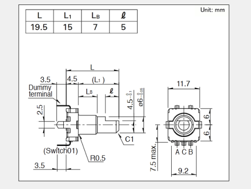
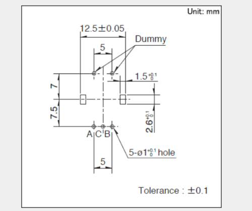
Product number:EC11N1520401
structure Vertical
Shape of operation part Horizontal axis
Length of operation section 15mm
Positioning number thirty
Number of pulses fifteen
Press the on switch nothing
Operating life 15,000 cycles
Operating temperature range - 40℃ to +85℃
Electrical properties rated 10mA 5V DC
output signal A. B, 2-phase output
Maximum / minimum operating current (resistive load) 10mA/1mA
insulation resistance 100MΩ min. 250V DC
Withstand voltage 300V AC for 1 minute or 360V AC for 2s
Mechanical properties Positioning torque 10±7mN·m
Shaft push-pull strength 100N
Minimum order unit (PCs.) Japan 1,200
Export 2,400
Welding conditions
Reference examples of immersion welding methods
preheat Surface temperature of welding surface 100℃ max.
heating time 2 min. max.
Immersion welding welding temperature 260±5℃
Welding time 5±1s
Welding times 2 time max.
Reference examples of manual welding methods
Soldering iron head temperature 350℃ max.
Welding time 3s max.
Welding times 1 time
Send your inquiry to this supplier
You may also be interested in
Product Categories